繁体
长辈版
无障碍浏览
加入收藏
政府信息公开首页
信息公开目录
信息公开指南
信息公开年报
信息公开制度
依申请公开
监督保障
您的位置:
首页
>
相山区发展和改革委员会
>
财政资金
>
部门项目
索
引
号:
003089960/202603-00001
组配分类:
部门项目
主题分类:
国民经济管理、国有资产监管
发布日期:
2026-03-04
发布机构:
相山区发展和改革委员会
文
号:
名
称:
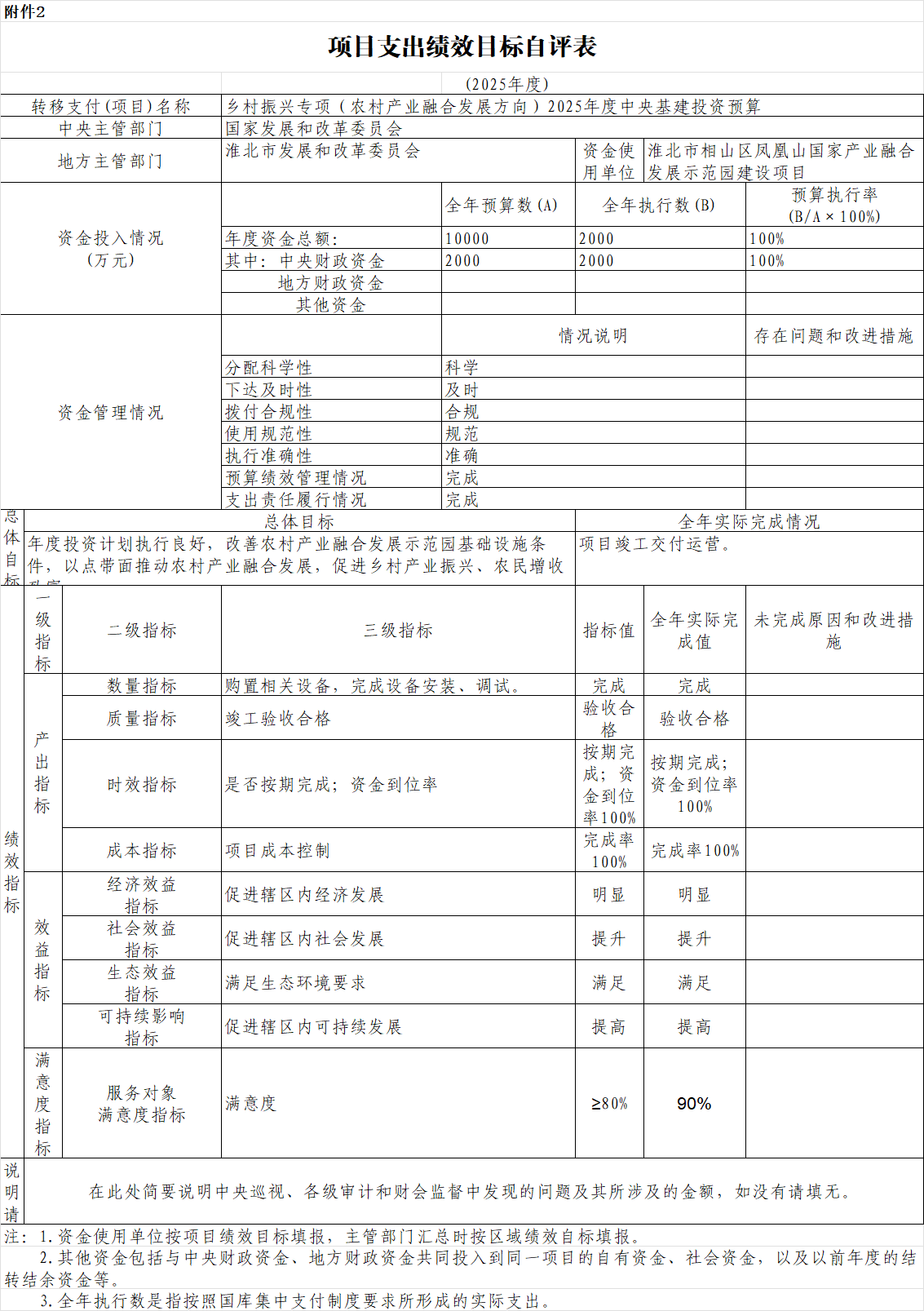
淮北市相山区凤凰山国家产业融合发展示范园转移支付区域(项目)绩效自评表
关
键
词:
成文日期:
淮北市相山区凤凰山国家产业融合发展示范园转移支付区域(项目)绩效自评表
字体大小:【
大
中
小
】
浏览次数:
信息来源: 相山区发展和改革委员会
发布时间:2026-03-04 10:54